AI 足球计算机视觉、统计学习和博弈论介绍与应用
一、AI 足球计算机视觉应用介绍

最近关注到 Sports Technology Lab 开发的足球专用战术和分析支持工 具,(可视化例上图)发现近年来,计算机视觉、统计学习和博弈论三者 在足球领域的有机结合碰撞出巨大的火花。球员需要在其他球员(合作和对抗)时,博弈论能作为一种互动决策理论做出高相关性决策;统计 学习又能根据比赛中球员的表征来学习针对特定比赛中情况的战术解 决方案;而计算机视觉能作为 Input 端,低成本或无穿戴的为上诉两者 提供高可用的数据流。从上述已发展的决策系统来看,我认为下一阶段的技术突进在于对精细化球员风格、比赛节奏、裁判判罚多方位实时的数据挖掘与数据博弈。
二、评估足球比赛双目标目标跟踪系统
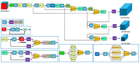
1、YOLOv5 原理

YOLOv5 算法具有 4 个版本,具体包括:YOLOv5s、YOLOv5m、YOLOv5l、 YOLOv5x 四种,改网络结构是 YOLOv5s,其它的版本都在该版本的基础上对 网络进行加深与加宽。
由于本人才识尚浅还没有完全理解 yolov5,那我就从我理解了的 yolov3 出发对 比 yolov3 与 yolov5 异同。
(1) input:yolov5 加入了 Mosaic 数据增强、自适应 anchor、自适应图片缩放, 让我们在整理数据集时不必操心于数据集的标准性。
(2) backbone:卷积神经网络这块我就只懂了 Yolov3 的 Darknet53,但 yolov5 引入了 Focus(我估计是注意力机制),CSP(还没懂)
(3) neck:这个网络层呢,加了个 PAN 还没研究。
(4) predication:加了个 GIOU_loss 这东西重要呀,这种源自 IoU 的一种边框预 测的损失计算方法公式推不出来,但知道比 yolov3 这点提升很大。
2. DeepSort原理

这段代码纯粹是从别人那嫁接过来的就不写了,DeepSort模型不是自己训练的,从Github下载下来就好了。
3. GetPerspectiveTransform矩阵变换

直接上图,咋用就不说了,想通了还挺简单,就里面有一步挺复杂的变换,x,y代表目标检测后的坐标。
4.模型评测
为了弄这个玩特意建立了一个不大不小的数据集 SFD,该数据集标注 点大约在 2W 量级。
数据集:Train:1113,Val:123,分辨率:1280×720
具体训练参数如下: epoch 100 img-size 640×640
官网预训练数据如下:

Result 解释: Box:GIoU 损失函数均值,越小方框越准
Objectness:推测为目标检测 loss 均值,越小目标检测越准;
Classification:推测为分类 loss 均值,越小分类越准;
Precision:精度(找对的正类/所有找到的正类);
Recall:召回率(找对的正类/所有本应该被找对的正类);
mAP@0.5:Precision 和 Recall 作为两轴作图后围成的面积;
mAP@0.5:0.95:@0.5:0.95 表示阈值取 0.5:0.05:0.95 后取均值;





5.总结
总而言之,这个检测系统还是比较简单的,笔者共花费2天时间制作完成。具体源码不会开源,但训练模型无偿共享,也是希望各位朋友按照上诉步骤自己走通,真正学习到内涵知识。
附录:
本文模型和评测文档Github源码地址:https://github.com/Jianghuchengphilip/Analysis-of-4-models-of-YOOv5-in-the-SFD-dataset
Github主页:https://github.com/Jianghuchengphilip
技术栈: python